Another versatile device, the IC 4060 has numerous applications and can be used for implementing various useful functions in an electronic circuit.
Basically the IC 4060 is a oscillator/Timer IC and can be used for producing discretely variable accurate time intervals or delays or alternatively it may also be used as an oscillator for acquiring high grade, accurate time period oscillations of frequencies.
The best thing about this chip is that it has an in-built oscillator module which requires just a few external components for initiating the oscillations.Thus the IC is not dependant on any external clock input.
Let’s try to understand the pin outs of the IC 4066 through simple words:
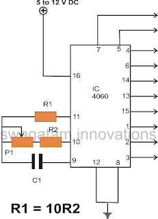
Referring to the figure we see that the only input pins which require to be configured are pin # 9, 10, 11, and 12, the all the remaining pin outs are the outputs of the IC.
The outputs are assigned for producing the time delays or the clock signals or the oscillations or the frequency at different levels. Pin #7 generates the highest number of frequencies for a set level, while pin #3 produces the least.
Therefore, suppose if pin # 7 generates a frequency of 1MHz, pin #5 will generate a frequency of 500 Khz, pin # 4 generates 250 Khz, pin #6 generates 125KHz, pin #14 generates 62.5 KHz and so on, the frequency becomes half, in the order of the pin outs 7,5,4,6,14,13,15,1,2,3
The above frequency or oscillations can be initiated by connecting a few passive components at pin #9, 10 and 11 of the IC as shown in the figure, it’s that simple.
The variable resistor is used to vary the frequency to any desired level, the capacitor value may also be altered for changing the frequency of the IC.
Pin #12 is the reset input and should always be grounded or connected to the negative supply. A positive supply pulse to this input will reset the oscillations or revert the IC so that it begins counting or oscillating from the beginning.
Pin #16 is the positive of the IC and pin #8 is the negative supply input of the IC.

0 Response to "IC 4060 Pinouts Explained "
Posting Komentar